KEYSIGHT N5247B PNA 마이크로파 네트워크 분석기, 900 Hz / 10 MHz ~ 67 GHz
KEYSIGHT N5247B PNA 마이크로파 네트워크 분석기, 900 Hz / 10 MHz ~ 67 GHz
KEYSIGHT N5247B PNA-X Microwave Network Analyzer
- 10 MHz ~ 67 GHz, 2포트 및 4포트, 1개 또는 2개의 소스
클릭 하시면 이동합니다.
키사이트 ・ KEYSIGHT
N5247B
PNA 마이크로파 네트워크 분석기, 900 Hz / 10 MHz ~ 67 GHz
N5247B PNA-X Microwave Network Analyzer
주요 특징
비교할 수 없는 우수성
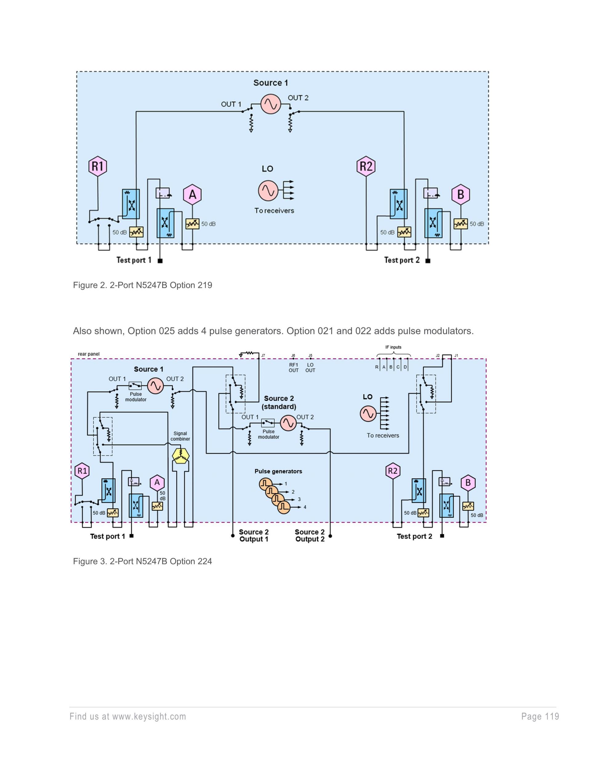
단순한 벡터 네트워크 분석기에 그치지 않는 PNA-X는 세계 최고의 통합성과 유연성을 자랑하는 마이크로파 테스트 엔진으로, 앰프, 믹서, 주파수 변환기와 같은 액티브 디바이스를 측정하는 데 사용됩니다. 하드웨어에는 두 개의 내부 신호 소스, 신호 결합기, S-파라미터 및 노이즈 수신기, 펄스 변조기와 생성기, 스위치 및 RF 액세스 포인트 세트가 포함됩니다. 이러한 하드웨어 기능은 테스트 대상 디바이스에 대한 하나의 연결로 다양한 선형 및 비선형 측정을 할 수 있는 강력한 코어를 제공합니다.
키사이트 N5247B PNA-X 마이크로파 네트워크 분석기 10 MHz ~ 67 GHz는 앰프, 믹서 및 주파수 변환기와 같은 액티브 디바이스를 측정할 수 있는 유연한 통합 테스트 엔진입니다. 두 개의 내부 신호 소스, 신호 결합기, S-파라미터 및 노이즈 수신기, 펄스 변조기와 생성기, 유연한 스위치 및 RF 액세스 포인트 세트의 조합으로 테스트 대상 디바이스(DUT)에 대한 단일 연결 세트로 광범위한 선형 및 비선형 측정을 위한 강력한 하드웨어 코어를 제공합니다. 액티브 디바이스 특성화 시 키사이트 N5247B는 속도와 성능을 적절히 결합해 경쟁 우위를 제공합니다.
- 하나의 PNA-X 네트워크 분석기로 전체 장비를 대체해 테스트 시스템을 간소화하십시오.
- 폭넓은 단일 연결 측정 어플리케이션으로 테스트 시간을 줄이십시오.
- 고급 에러 수정 기능을 사용하여 선형 및 비선형 디바이스 특성화를 정확하게 테스트하십시오.
- 업계 최다 측정 어플리케이션 중에서 선택하여 고급 RF 테스트에서 속도와 정확도, 사용의 용이성을 개선하십시오.
- 멀티터치 디스플레이와 직관적인 사용자 인터페이스를 사용하여 콤포넌트 동작에 대한 통찰력을 가속화하십시오.




























































































































N5247B KEYSIGHT KEYSIGHT N5247B N5247B 키사이트 키사이트 N5247B
가격이 궁금하신가요?
더 많은 자료는?


지니어스인더스트리가 취급하는 대부분의 제품은 사업자 간 거래(B2B) 목적의 산업·연구용 전문 계측 장비입니다.
모든 제품은 주문 제작 또는 해외/본사 주문을 통해 공급되고 있으며 실제 현장/시험 환경에서 사용되는 특성상, 장비 개봉, 전원 인가, 설치/시운전, 교정(캘리브레이션) 진행 등으로 제품의 신뢰도와 가치가 달라지기 때문에 일반 소비재와 달리 단순 변심 사유의 반품·환불이 어렵습니다.
다만 초기 제품 하자(동일 모델 대비 명백한 불량, 운송 중 파손, 사양 상이 등)가 확인되는 경우에는 수령 후 [7일 이내] 연락 주시면 점검 후 조치 또는 A/S 절차를 안내해 드리고 있습니다.
단순 변심, 사양 선택 착오, 내부 사정(예: 예산/프로젝트 변경 등)과 같은 구매자 사유로 반품을 요청하시는 경우에는 반품이 제한되며, 예외적으로 협의가 진행될 경우에도 왕복 운송비, 검수 비용, 감가 비용 및 재입고 수수료 등이 청구될 수 있습니다.
구체적인 거래 조건(납기, A/S 범위, 교환 가능 여부 등)은 발행된 견적서, 발주서 확인 메일, 납품서 등에 명시된 내용을 우선합니다.
도움이 필요한 경우 견적서에 명시된 지니어스 영업부 담당자에게 문의해 주시기 바랍니다.
키사이트 ・ KEYSIGHT
N5247B
PNA 마이크로파 네트워크 분석기, 900 Hz / 10 MHz ~ 67 GHz
N5247B PNA-X Microwave Network Analyzer
주요 특징
비교할 수 없는 우수성
단순한 벡터 네트워크 분석기에 그치지 않는 PNA-X는 세계 최고의 통합성과 유연성을 자랑하는 마이크로파 테스트 엔진으로, 앰프, 믹서, 주파수 변환기와 같은 액티브 디바이스를 측정하는 데 사용됩니다. 하드웨어에는 두 개의 내부 신호 소스, 신호 결합기, S-파라미터 및 노이즈 수신기, 펄스 변조기와 생성기, 스위치 및 RF 액세스 포인트 세트가 포함됩니다. 이러한 하드웨어 기능은 테스트 대상 디바이스에 대한 하나의 연결로 다양한 선형 및 비선형 측정을 할 수 있는 강력한 코어를 제공합니다.
키사이트 N5247B PNA-X 마이크로파 네트워크 분석기 10 MHz ~ 67 GHz는 앰프, 믹서 및 주파수 변환기와 같은 액티브 디바이스를 측정할 수 있는 유연한 통합 테스트 엔진입니다. 두 개의 내부 신호 소스, 신호 결합기, S-파라미터 및 노이즈 수신기, 펄스 변조기와 생성기, 유연한 스위치 및 RF 액세스 포인트 세트의 조합으로 테스트 대상 디바이스(DUT)에 대한 단일 연결 세트로 광범위한 선형 및 비선형 측정을 위한 강력한 하드웨어 코어를 제공합니다. 액티브 디바이스 특성화 시 키사이트 N5247B는 속도와 성능을 적절히 결합해 경쟁 우위를 제공합니다.
- 하나의 PNA-X 네트워크 분석기로 전체 장비를 대체해 테스트 시스템을 간소화하십시오.
- 폭넓은 단일 연결 측정 어플리케이션으로 테스트 시간을 줄이십시오.
- 고급 에러 수정 기능을 사용하여 선형 및 비선형 디바이스 특성화를 정확하게 테스트하십시오.
- 업계 최다 측정 어플리케이션 중에서 선택하여 고급 RF 테스트에서 속도와 정확도, 사용의 용이성을 개선하십시오.
- 멀티터치 디스플레이와 직관적인 사용자 인터페이스를 사용하여 콤포넌트 동작에 대한 통찰력을 가속화하십시오.




























































































































N5247B KEYSIGHT KEYSIGHT N5247B N5247B 키사이트 키사이트 N5247B
가격이 궁금하신가요?
더 많은 자료는?


지니어스인더스트리가 취급하는 대부분의 제품은 사업자 간 거래(B2B) 목적의 산업·연구용 전문 계측 장비입니다.
모든 제품은 주문 제작 또는 해외/본사 주문을 통해 공급되고 있으며 실제 현장/시험 환경에서 사용되는 특성상, 장비 개봉, 전원 인가, 설치/시운전, 교정(캘리브레이션) 진행 등으로 제품의 신뢰도와 가치가 달라지기 때문에 일반 소비재와 달리 단순 변심 사유의 반품·환불이 어렵습니다.
다만 초기 제품 하자(동일 모델 대비 명백한 불량, 운송 중 파손, 사양 상이 등)가 확인되는 경우에는 수령 후 [7일 이내] 연락 주시면 점검 후 조치 또는 A/S 절차를 안내해 드리고 있습니다.
단순 변심, 사양 선택 착오, 내부 사정(예: 예산/프로젝트 변경 등)과 같은 구매자 사유로 반품을 요청하시는 경우에는 반품이 제한되며, 예외적으로 협의가 진행될 경우에도 왕복 운송비, 검수 비용, 감가 비용 및 재입고 수수료 등이 청구될 수 있습니다.
구체적인 거래 조건(납기, A/S 범위, 교환 가능 여부 등)은 발행된 견적서, 발주서 확인 메일, 납품서 등에 명시된 내용을 우선합니다.
도움이 필요한 경우 견적서에 명시된 지니어스 영업부 담당자에게 문의해 주시기 바랍니다.
연관상품



