클릭 하시면 이동합니다.
센시스 ・ SENSYS
DWS
유체용 차압 트랜스미터
DWS Wet Diffrential Pressure Transducer
모델 설명
DWS모델은 다이아프램이 스테인레스스틸 316L로 되어 있어 유체에 사용이 가능한 고정밀급 차압 트랜스미터입니다.
여러 종류의 콘트롤러와 접속이 가능하도록 증폭회로가 내장되어 있습니다.
특성
- CE인증
- 차압측정
- VDC, mA 출력
- 측정 압력 범위 0~3.5MPa diff.
- 정밀도0.25, 0.35%FS
- IP65 보호등급
- 압저항형 반도체 압력셀 적용
- 압력부 재질 스테인레스스틸, VITON오링
범위
- 부식성 유체 및 가스 차압측정
- 액체 레벨 제어
- 탱크 레벨 제어
- 리크 압력 측정
사양
- 압력범위
| 차압 | 0.25%FS정밀도 모델 : 0~5kPa … 3.5 MPa 0.35%FS정밀도 모델 : 0~5kPa … 2.5 MPa |
- 성능
정밀도 | ±0.25%FS±1digit / ±0.35%FS±1digit |
- 전기적 사양
공급전원 | 11~28VDC |
- 기타 사양
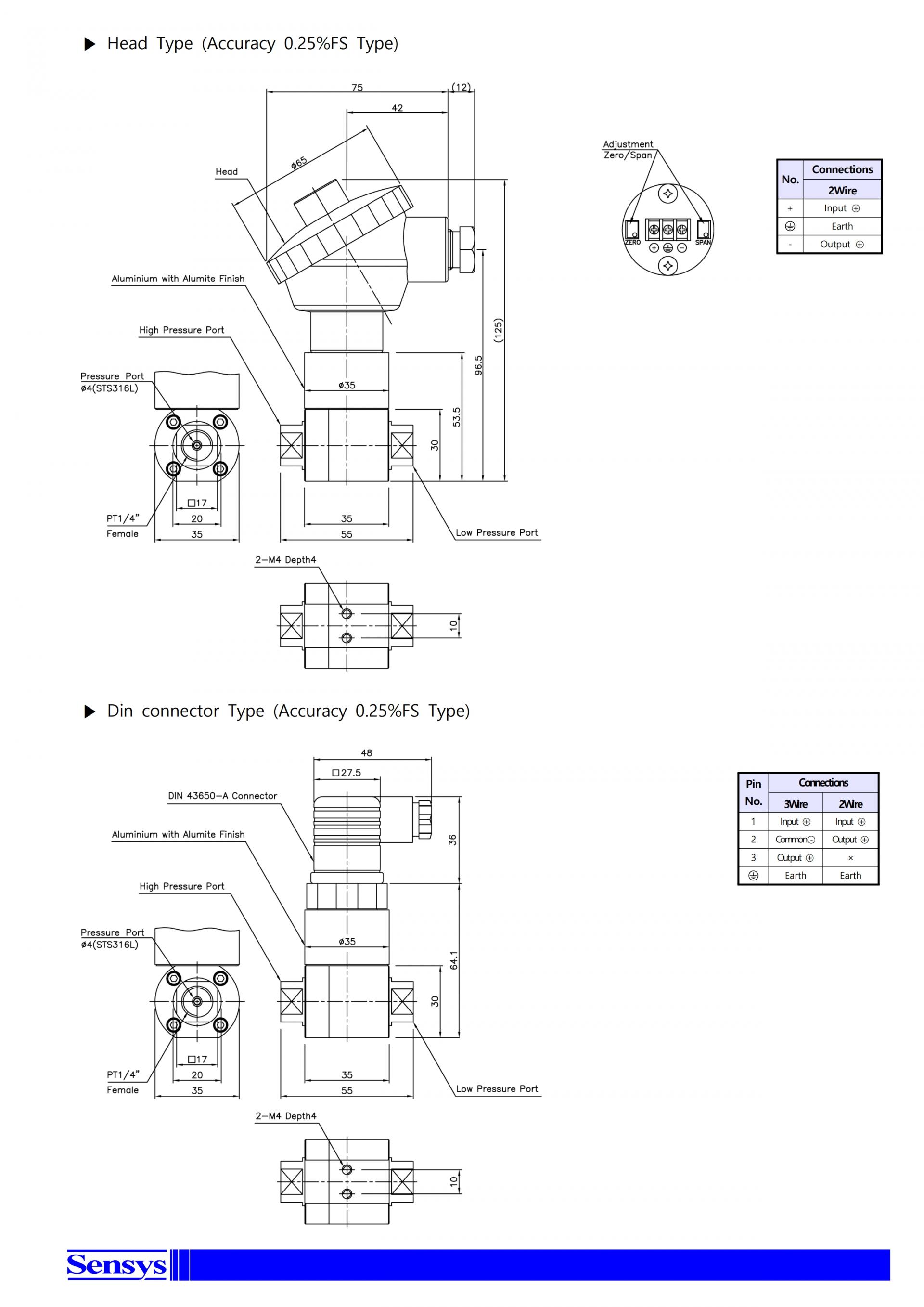
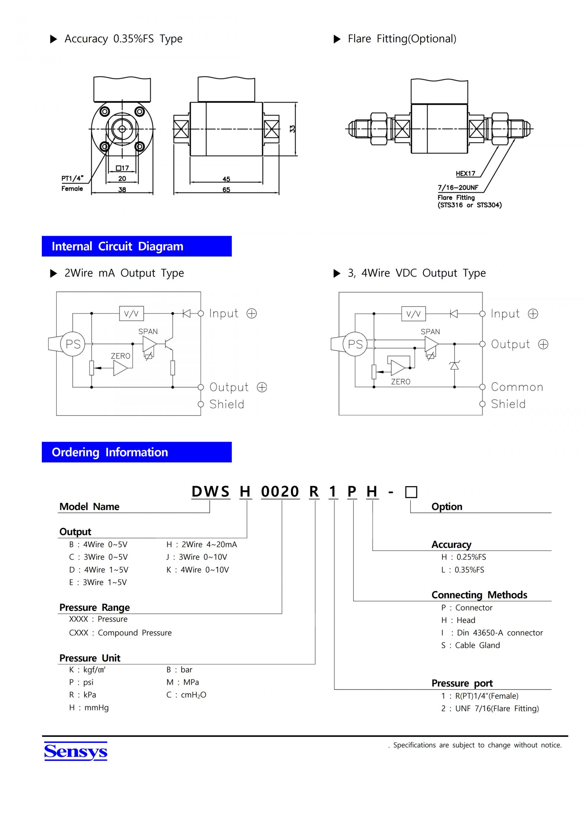
허용압력 라인압력 내진동 내충격 압력부접속규격 압력매체접촉부재질 중량 | 0.25%FS정밀도 모델 : 정압 : X3, 부압 : X3 0.35%FS정밀도 모델 : 정압 : X2 0.25%FS정밀도 모델 : 최대 7MPa 0.35%FS정밀도 모델 : 최대 4MPa 49.1m/s²{5G}, 10~500Hz 490m/s²{50G} R1/4″(F), UNF7/16(플래어피팅) 스테인레스스틸 316L, VITON 0.25%FS정밀도 모델 : 약 315g 0.35%FS정밀도 모델 : 약 410g |




DWS SENSYS SENSYS DWS DWS 센시스 센시스 DWS DWS
가격이 궁금하신가요?
더 많은 자료는?


지니어스인더스트리가 취급하는 대부분의 제품은 사업자 간 거래(B2B) 목적의 산업·연구용 전문 계측 장비입니다.
모든 제품은 주문 제작 또는 해외/본사 주문을 통해 공급되고 있으며 실제 현장/시험 환경에서 사용되는 특성상, 일반 소비재와 달리 단순 변심 사유의 반품·환불이 어렵습니다. 장비 개봉, 전원 인가, 설치/시운전, 교정(캘리브레이션) 진행 등으로 제품의 신뢰도와 가치가 달라질 수 있기 때문입니다.
다만 초기 제품 하자(동일 모델 대비 명백한 불량, 운송 중 파손, 사양 상이 등)가 확인되는 경우에는 수령 후 [7일 이내] 연락 주시면 점검 후 조치 또는 A/S 절차를 안내해 드립니다.
단순 변심, 사양 선택 착오, 내부 사정(예: 예산/프로젝트 변경 등)과 같은 구매자 사유로 반품을 요청하시는 경우에는 반품이 제한되며, 예외적으로 협의가 진행될 경우에도 왕복 운송비, 검수 비용, 감가 비용 및 재입고 수수료 등이 청구될 수 있습니다.
구체적인 거래 조건(납기, A/S 범위, 교환 가능 여부 등)은 발행된 견적서, 발주서 확인 메일, 납품서 등에 명시된 내용을 우선합니다.
도움이 필요한 경우 견적서에 명시된 담당자에게 문의해 주세요.
센시스 ・ SENSYS
DWS
유체용 차압 트랜스미터
DWS Wet Diffrential Pressure Transducer
모델 설명
DWS모델은 다이아프램이 스테인레스스틸 316L로 되어 있어 유체에 사용이 가능한 고정밀급 차압 트랜스미터입니다.
여러 종류의 콘트롤러와 접속이 가능하도록 증폭회로가 내장되어 있습니다.
특성
- CE인증
- 차압측정
- VDC, mA 출력
- 측정 압력 범위 0~3.5MPa diff.
- 정밀도0.25, 0.35%FS
- IP65 보호등급
- 압저항형 반도체 압력셀 적용
- 압력부 재질 스테인레스스틸, VITON오링
범위
- 부식성 유체 및 가스 차압측정
- 액체 레벨 제어
- 탱크 레벨 제어
- 리크 압력 측정
사양
- 압력범위
| 차압 | 0.25%FS정밀도 모델 : 0~5kPa … 3.5 MPa 0.35%FS정밀도 모델 : 0~5kPa … 2.5 MPa |
- 성능
정밀도 | ±0.25%FS±1digit / ±0.35%FS±1digit |
- 전기적 사양
공급전원 | 11~28VDC |
- 기타 사양
허용압력 라인압력 내진동 내충격 압력부접속규격 압력매체접촉부재질 중량 | 0.25%FS정밀도 모델 : 정압 : X3, 부압 : X3 0.35%FS정밀도 모델 : 정압 : X2 0.25%FS정밀도 모델 : 최대 7MPa 0.35%FS정밀도 모델 : 최대 4MPa 49.1m/s²{5G}, 10~500Hz 490m/s²{50G} R1/4″(F), UNF7/16(플래어피팅) 스테인레스스틸 316L, VITON 0.25%FS정밀도 모델 : 약 315g 0.35%FS정밀도 모델 : 약 410g |




DWS SENSYS SENSYS DWS DWS 센시스 센시스 DWS DWS
가격이 궁금하신가요?
더 많은 자료는?


지니어스인더스트리가 취급하는 대부분의 제품은 사업자 간 거래(B2B) 목적의 산업·연구용 전문 계측 장비입니다.
모든 제품은 주문 제작 또는 해외/본사 주문을 통해 공급되고 있으며 실제 현장/시험 환경에서 사용되는 특성상, 일반 소비재와 달리 단순 변심 사유의 반품·환불이 어렵습니다. 장비 개봉, 전원 인가, 설치/시운전, 교정(캘리브레이션) 진행 등으로 제품의 신뢰도와 가치가 달라질 수 있기 때문입니다.
다만 초기 제품 하자(동일 모델 대비 명백한 불량, 운송 중 파손, 사양 상이 등)가 확인되는 경우에는 수령 후 [7일 이내] 연락 주시면 점검 후 조치 또는 A/S 절차를 안내해 드립니다.
단순 변심, 사양 선택 착오, 내부 사정(예: 예산/프로젝트 변경 등)과 같은 구매자 사유로 반품을 요청하시는 경우에는 반품이 제한되며, 예외적으로 협의가 진행될 경우에도 왕복 운송비, 검수 비용, 감가 비용 및 재입고 수수료 등이 청구될 수 있습니다.
구체적인 거래 조건(납기, A/S 범위, 교환 가능 여부 등)은 발행된 견적서, 발주서 확인 메일, 납품서 등에 명시된 내용을 우선합니다.
도움이 필요한 경우 견적서에 명시된 담당자에게 문의해 주세요.
연관상품



