클릭 하시면 이동합니다.
센시스 ・ SENSYS
SIG
내압방폭형 디지털 압력트랜스미터
SIG Explosion Proof Pressure Transmitter with Local Indication
모델 설명
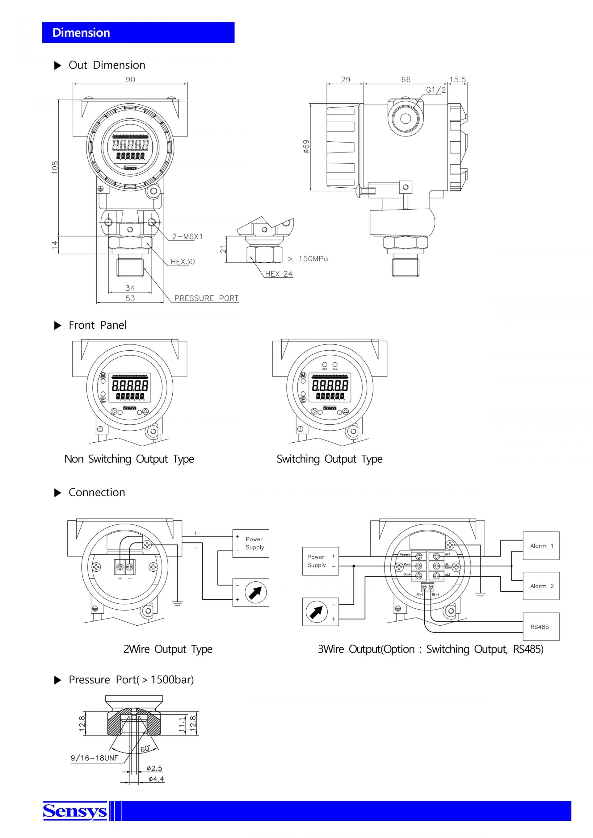
SIG모델은 내압방폭(Ex d IIC T6)과 방수(IP67)제품으로 위험지역 및 방수가 필요한 지역에서도 사용이 가능합니다.
4-1/2 디지트 백라이트 LCD를 적용하여 최대 ±19999까지 표현이 가능하며 어두운 장소에서도 측정값을 볼 수 있습니다.
아나로그출력, 릴레이출력, RS485출력이 가능하므로 여러 가지 콘트롤러와 조합하여 사용이 가능합니다.
단위변환기능, 스케일조절 기능 등의 다양한 기능을 내장하고 있습니다.
특성
- 내압방폭인증 Ex d IIC T6, IP67
- CE인증(2선출력형)
- 4 1/2 디지트 백라이트 LCD
- 증폭회로 내장형(VDC, mA)
- 옵션 : 2채널 릴레이 출력
- 옵션 : RS485출력
- 측정 압력범위 -0.1~500MPa
- 정밀도 0.2 / 0.5%FS
범위
- 제어와 관측용
- 유공압시스템
- 화학용과 석유화학용
- 액체 레벨 측정
- 식품과 위생용
- 가스파이프라인
- 공장장비 관측용
사양
<2선 출력>
- 압력범위
| 게이지압 연성압 절대압 | 0~5kPa ... 70MPa -100kPa~0 ... 70MPa 0~35kPa ... 70MPa | 0~71 ... 500MPa - - |
- 성능
정밀도 | ±0.2%FS ±1digit | ±0.5%FS ±1digit ±0.05%FS/℃ ±0.05%FS/℃ -20~60℃ -40~120℃ |
- 전기적 사양
디스플레이 | ±19999(4 1/2) Backlight LCD |
- 전기적 사양
| 허용압력 | X3 또는 140MPa중 작은값 | ≤150MPa : X1.5 또는 150MPa중 작은값 >150MPa : X1.5 또는 500MPa중 작은값 |
| 파괴압력 | X4 또는 210MPa중 작은값 | ≤150MPa : X2 또는 150MPa중 작은값 >150MPa : X2 또는 600MPa중 작은값 |
| 내진동 | 49.1m/s²{5G}, 10~500Hz | |
| 내충격 | 490m/s²{50G} | |
| 나사규격 | R1/4",G1/4",R3/8",G3/8",R1/2",G1/2", 9/16UNF(F)(>1500bar이상), 플렌지와 기타 소비자의 요구에 따라 제작가능 | |
| 압력매체접촉부재질 | 스테인레스 스틸 316L, VITON | 스테인레스 스틸 316L, 티타늄 87% |
| 내압방폭인증 | Ex d IIC T6 | |
| 보호등급 | IP67 | |
| 중량 | 약 1kg | |
<3선 출력>
- 압력범위
| 게이지압 연성압 절대압 | 0~5kPa ... 70MPa -100kPa~0 ... 70MPa 0~35kPa ... 70MPa | 0~71 ... 500MPa - - |
- 성능
정밀도 | ±0.2%FS ±1digit | ±0.5%FS ±1digit ±0.05%FS/℃ ±0.05%FS/℃ -20~60℃ -40~120℃ |
- 전기적 사양
디스플레이 | ±19999(4 1/2) Backlight LCD |
- 전기적 사양
| 허용압력 | X3 또는 140MPa중 작은값 | ≤150MPa : X1.5 또는 150MPa중 작은값 >150MPa : X1.5 또는 500MPa중 작은값 |
| 파괴압력 | X4 또는 210MPa중 작은값 | ≤150MPa : X2 또는 150MPa중 작은값 >150MPa : X2 또는 600MPa중 작은값 |
| 내진동 | 49.1m/s²{5G}, 10~500Hz | |
| 내충격 | 490m/s²{50G} | |
| 나사규격 | R1/4",G1/4",R3/8",G3/8",R1/2",G1/2", 9/16UNF(F)(>1500bar이상), 플렌지와 기타 소비자의 요구에 따라 제작가능 | |
| 압력매체접촉부재질 | 스테인레스 스틸 316L, VITON | 스테인레스 스틸 316L, 티타늄 87% |
| 내압방폭인증 | Ex d IIC T6 | |
| 보호등급 | IP67 | |
| 중량 | 약 1kg | |



SIG SENSYS SIG SIG SENSYS 센시스 SIG SIG 센시스
가격이 궁금하신가요?
더 많은 자료는?


지니어스인더스트리가 취급하는 대부분의 제품은 사업자 간 거래(B2B) 목적의 산업·연구용 전문 계측 장비입니다.
모든 제품은 주문 제작 또는 해외/본사 주문을 통해 공급되고 있으며 실제 현장/시험 환경에서 사용되는 특성상, 일반 소비재와 달리 단순 변심 사유의 반품·환불이 어렵습니다. 장비 개봉, 전원 인가, 설치/시운전, 교정(캘리브레이션) 진행 등으로 제품의 신뢰도와 가치가 달라질 수 있기 때문입니다.
다만 초기 제품 하자(동일 모델 대비 명백한 불량, 운송 중 파손, 사양 상이 등)가 확인되는 경우에는 수령 후 [7일 이내] 연락 주시면 점검 후 조치 또는 A/S 절차를 안내해 드립니다.
단순 변심, 사양 선택 착오, 내부 사정(예: 예산/프로젝트 변경 등)과 같은 구매자 사유로 반품을 요청하시는 경우에는 반품이 제한되며, 예외적으로 협의가 진행될 경우에도 왕복 운송비, 검수 비용, 감가 비용 및 재입고 수수료 등이 청구될 수 있습니다.
구체적인 거래 조건(납기, A/S 범위, 교환 가능 여부 등)은 발행된 견적서, 발주서 확인 메일, 납품서 등에 명시된 내용을 우선합니다.
도움이 필요한 경우 견적서에 명시된 담당자에게 문의해 주세요.
센시스 ・ SENSYS
SIG
내압방폭형 디지털 압력트랜스미터
SIG Explosion Proof Pressure Transmitter with Local Indication
모델 설명
SIG모델은 내압방폭(Ex d IIC T6)과 방수(IP67)제품으로 위험지역 및 방수가 필요한 지역에서도 사용이 가능합니다.
4-1/2 디지트 백라이트 LCD를 적용하여 최대 ±19999까지 표현이 가능하며 어두운 장소에서도 측정값을 볼 수 있습니다.
아나로그출력, 릴레이출력, RS485출력이 가능하므로 여러 가지 콘트롤러와 조합하여 사용이 가능합니다.
단위변환기능, 스케일조절 기능 등의 다양한 기능을 내장하고 있습니다.
특성
- 내압방폭인증 Ex d IIC T6, IP67
- CE인증(2선출력형)
- 4 1/2 디지트 백라이트 LCD
- 증폭회로 내장형(VDC, mA)
- 옵션 : 2채널 릴레이 출력
- 옵션 : RS485출력
- 측정 압력범위 -0.1~500MPa
- 정밀도 0.2 / 0.5%FS
범위
- 제어와 관측용
- 유공압시스템
- 화학용과 석유화학용
- 액체 레벨 측정
- 식품과 위생용
- 가스파이프라인
- 공장장비 관측용
사양
<2선 출력>
- 압력범위
| 게이지압 연성압 절대압 | 0~5kPa ... 70MPa -100kPa~0 ... 70MPa 0~35kPa ... 70MPa | 0~71 ... 500MPa - - |
- 성능
정밀도 | ±0.2%FS ±1digit | ±0.5%FS ±1digit ±0.05%FS/℃ ±0.05%FS/℃ -20~60℃ -40~120℃ |
- 전기적 사양
디스플레이 | ±19999(4 1/2) Backlight LCD |
- 전기적 사양
| 허용압력 | X3 또는 140MPa중 작은값 | ≤150MPa : X1.5 또는 150MPa중 작은값 >150MPa : X1.5 또는 500MPa중 작은값 |
| 파괴압력 | X4 또는 210MPa중 작은값 | ≤150MPa : X2 또는 150MPa중 작은값 >150MPa : X2 또는 600MPa중 작은값 |
| 내진동 | 49.1m/s²{5G}, 10~500Hz | |
| 내충격 | 490m/s²{50G} | |
| 나사규격 | R1/4",G1/4",R3/8",G3/8",R1/2",G1/2", 9/16UNF(F)(>1500bar이상), 플렌지와 기타 소비자의 요구에 따라 제작가능 | |
| 압력매체접촉부재질 | 스테인레스 스틸 316L, VITON | 스테인레스 스틸 316L, 티타늄 87% |
| 내압방폭인증 | Ex d IIC T6 | |
| 보호등급 | IP67 | |
| 중량 | 약 1kg | |
<3선 출력>
- 압력범위
| 게이지압 연성압 절대압 | 0~5kPa ... 70MPa -100kPa~0 ... 70MPa 0~35kPa ... 70MPa | 0~71 ... 500MPa - - |
- 성능
정밀도 | ±0.2%FS ±1digit | ±0.5%FS ±1digit ±0.05%FS/℃ ±0.05%FS/℃ -20~60℃ -40~120℃ |
- 전기적 사양
디스플레이 | ±19999(4 1/2) Backlight LCD |
- 전기적 사양
| 허용압력 | X3 또는 140MPa중 작은값 | ≤150MPa : X1.5 또는 150MPa중 작은값 >150MPa : X1.5 또는 500MPa중 작은값 |
| 파괴압력 | X4 또는 210MPa중 작은값 | ≤150MPa : X2 또는 150MPa중 작은값 >150MPa : X2 또는 600MPa중 작은값 |
| 내진동 | 49.1m/s²{5G}, 10~500Hz | |
| 내충격 | 490m/s²{50G} | |
| 나사규격 | R1/4",G1/4",R3/8",G3/8",R1/2",G1/2", 9/16UNF(F)(>1500bar이상), 플렌지와 기타 소비자의 요구에 따라 제작가능 | |
| 압력매체접촉부재질 | 스테인레스 스틸 316L, VITON | 스테인레스 스틸 316L, 티타늄 87% |
| 내압방폭인증 | Ex d IIC T6 | |
| 보호등급 | IP67 | |
| 중량 | 약 1kg | |



SIG SENSYS SIG SIG SENSYS 센시스 SIG SIG 센시스
가격이 궁금하신가요?
더 많은 자료는?


지니어스인더스트리가 취급하는 대부분의 제품은 사업자 간 거래(B2B) 목적의 산업·연구용 전문 계측 장비입니다.
모든 제품은 주문 제작 또는 해외/본사 주문을 통해 공급되고 있으며 실제 현장/시험 환경에서 사용되는 특성상, 일반 소비재와 달리 단순 변심 사유의 반품·환불이 어렵습니다. 장비 개봉, 전원 인가, 설치/시운전, 교정(캘리브레이션) 진행 등으로 제품의 신뢰도와 가치가 달라질 수 있기 때문입니다.
다만 초기 제품 하자(동일 모델 대비 명백한 불량, 운송 중 파손, 사양 상이 등)가 확인되는 경우에는 수령 후 [7일 이내] 연락 주시면 점검 후 조치 또는 A/S 절차를 안내해 드립니다.
단순 변심, 사양 선택 착오, 내부 사정(예: 예산/프로젝트 변경 등)과 같은 구매자 사유로 반품을 요청하시는 경우에는 반품이 제한되며, 예외적으로 협의가 진행될 경우에도 왕복 운송비, 검수 비용, 감가 비용 및 재입고 수수료 등이 청구될 수 있습니다.
구체적인 거래 조건(납기, A/S 범위, 교환 가능 여부 등)은 발행된 견적서, 발주서 확인 메일, 납품서 등에 명시된 내용을 우선합니다.
도움이 필요한 경우 견적서에 명시된 담당자에게 문의해 주세요.
연관상품



