클릭 하시면 이동합니다.
센시스 ・ SENSYS
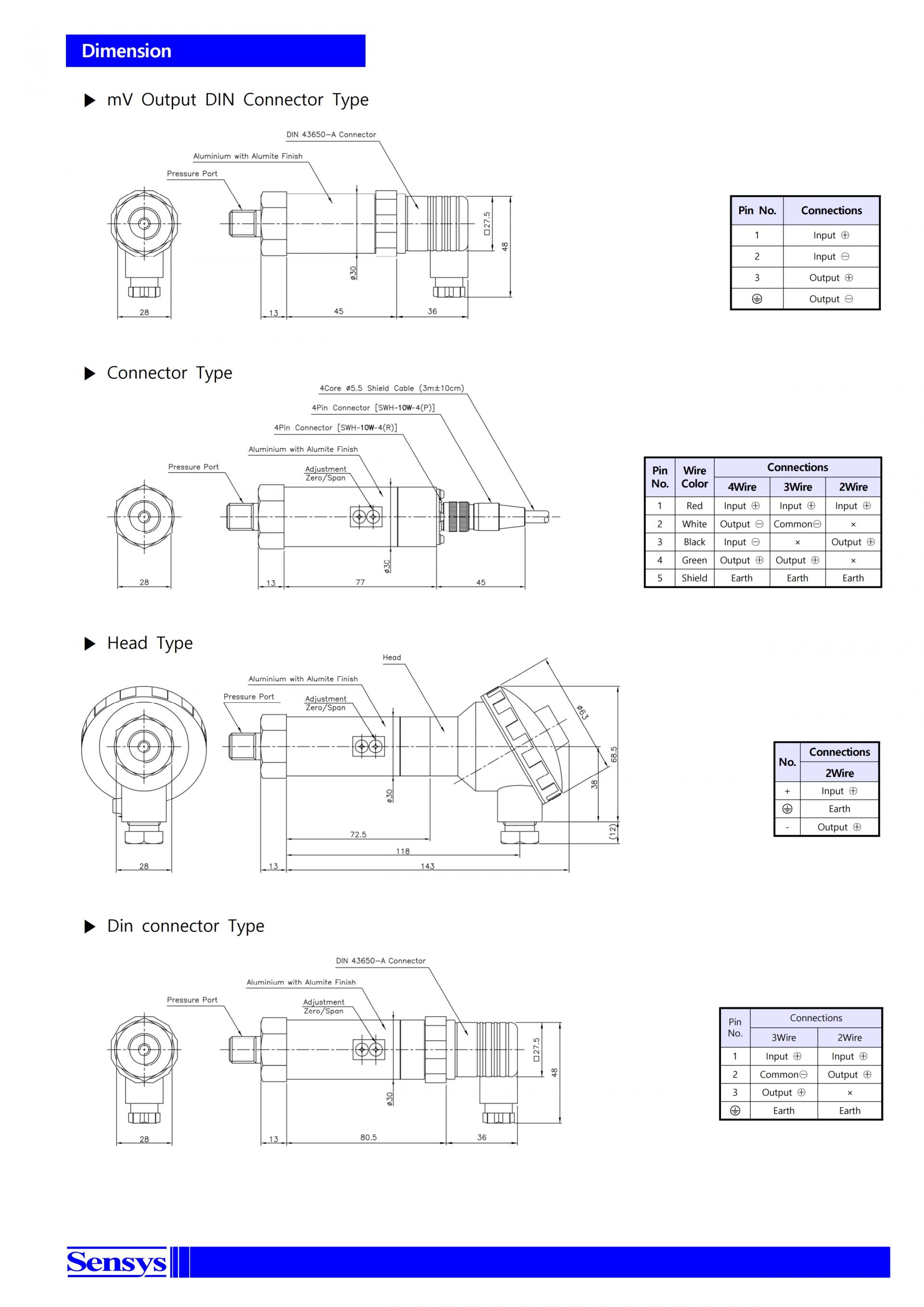
PTA
압력트랜스미터(옵션:해수용)
PTA General Purpose Pressure Transducer
모델 설명
PTA모델은 자기온도보상 압저항 반도체 압력셀을 사용하므로 뛰어난 온도 특성을 가지고 있으며
다이아프램과 나사부가 일체형구조로 되어 있어 순간적인 과압에 강하고, 압력누출의 우려가 없습니다. 또한 여러 종류의 콘트롤러와
접속이 가능하도록 증폭회로가 내장되어 있습니다.
접액부가 티타늄으로 되어 해수에 사용이 가능한 옵션이 준비되어 있습니다.
특성
– CE인증
– 증폭회로 내장형(VDC, mA)
– 측정압력범위 -100kPa∼150MPa
– 정밀도0.5%FS
– 압저항 반도체 압력셀 적용
– 영점,출력 조정가능
– 스테인레스 스틸, 티타늄 재질
범위
– 중장비
– 유공압 시스템
– 콤프레서
– 산업용 엔진
– 펌프압력제어
사양
- 압력범위
| 게이지압 연성압 | 0~100kPa … 500MPa -100kPa~0 … 500MPa |
- 성능
- 전기적 사양
공급전원 | 11~28VDC |
- 기타 사양
허용압력 | ≤ 150 MPa : X1.5 or 150MPa 중 작은값 / > 150MPa : X1.5 or 500MPa 중 작은 값 |
| 파괴압력 | ≤ 150 MPa : X2 or 150MPa 중 작은값 / > 150MPa : X2 or 600MPa 중 작은값 |
| 내진동 | 49.1m/s²{5G}, 10∼500Hz |
| 내충격 | 490m/s²{50G} |
| 나사규격 | R1/8″, G1/8″, R1/4″,G1/4″, R3/8″, G3/8″, 9/16UNF Female(>1500bar) |
| 압력매체접촉부재질 | 스테인레스 스틸 304, 티타튬87% / 옵션 : 전체 티타늄 |
| 중량 | 커넥터 타입: 약 140g(센서본체) |



PTA SENSYS PTA PTA SENSYS 센시스 PTA PTA 센시스
가격이 궁금하신가요?
더 많은 자료는?


지니어스인더스트리가 취급하는 대부분의 제품은 사업자 간 거래(B2B) 목적의 산업·연구용 전문 계측 장비입니다.
모든 제품은 주문 제작 또는 해외/본사 주문을 통해 공급되고 있으며 실제 현장/시험 환경에서 사용되는 특성상, 일반 소비재와 달리 단순 변심 사유의 반품·환불이 어렵습니다. 장비 개봉, 전원 인가, 설치/시운전, 교정(캘리브레이션) 진행 등으로 제품의 신뢰도와 가치가 달라질 수 있기 때문입니다.
다만 초기 제품 하자(동일 모델 대비 명백한 불량, 운송 중 파손, 사양 상이 등)가 확인되는 경우에는 수령 후 [7일 이내] 연락 주시면 점검 후 조치 또는 A/S 절차를 안내해 드립니다.
단순 변심, 사양 선택 착오, 내부 사정(예: 예산/프로젝트 변경 등)과 같은 구매자 사유로 반품을 요청하시는 경우에는 반품이 제한되며, 예외적으로 협의가 진행될 경우에도 왕복 운송비, 검수 비용, 감가 비용 및 재입고 수수료 등이 청구될 수 있습니다.
구체적인 거래 조건(납기, A/S 범위, 교환 가능 여부 등)은 발행된 견적서, 발주서 확인 메일, 납품서 등에 명시된 내용을 우선합니다.
도움이 필요한 경우 견적서에 명시된 담당자에게 문의해 주세요.
센시스 ・ SENSYS
PTA
압력트랜스미터(옵션:해수용)
PTA General Purpose Pressure Transducer
모델 설명
PTA모델은 자기온도보상 압저항 반도체 압력셀을 사용하므로 뛰어난 온도 특성을 가지고 있으며
다이아프램과 나사부가 일체형구조로 되어 있어 순간적인 과압에 강하고, 압력누출의 우려가 없습니다. 또한 여러 종류의 콘트롤러와
접속이 가능하도록 증폭회로가 내장되어 있습니다.
접액부가 티타늄으로 되어 해수에 사용이 가능한 옵션이 준비되어 있습니다.
특성
– CE인증
– 증폭회로 내장형(VDC, mA)
– 측정압력범위 -100kPa∼150MPa
– 정밀도0.5%FS
– 압저항 반도체 압력셀 적용
– 영점,출력 조정가능
– 스테인레스 스틸, 티타늄 재질
범위
– 중장비
– 유공압 시스템
– 콤프레서
– 산업용 엔진
– 펌프압력제어
사양
- 압력범위
| 게이지압 연성압 | 0~100kPa … 500MPa -100kPa~0 … 500MPa |
- 성능
- 전기적 사양
공급전원 | 11~28VDC |
- 기타 사양
허용압력 | ≤ 150 MPa : X1.5 or 150MPa 중 작은값 / > 150MPa : X1.5 or 500MPa 중 작은 값 |
| 파괴압력 | ≤ 150 MPa : X2 or 150MPa 중 작은값 / > 150MPa : X2 or 600MPa 중 작은값 |
| 내진동 | 49.1m/s²{5G}, 10∼500Hz |
| 내충격 | 490m/s²{50G} |
| 나사규격 | R1/8″, G1/8″, R1/4″,G1/4″, R3/8″, G3/8″, 9/16UNF Female(>1500bar) |
| 압력매체접촉부재질 | 스테인레스 스틸 304, 티타튬87% / 옵션 : 전체 티타늄 |
| 중량 | 커넥터 타입: 약 140g(센서본체) |



PTA SENSYS PTA PTA SENSYS 센시스 PTA PTA 센시스
가격이 궁금하신가요?
더 많은 자료는?


지니어스인더스트리가 취급하는 대부분의 제품은 사업자 간 거래(B2B) 목적의 산업·연구용 전문 계측 장비입니다.
모든 제품은 주문 제작 또는 해외/본사 주문을 통해 공급되고 있으며 실제 현장/시험 환경에서 사용되는 특성상, 일반 소비재와 달리 단순 변심 사유의 반품·환불이 어렵습니다. 장비 개봉, 전원 인가, 설치/시운전, 교정(캘리브레이션) 진행 등으로 제품의 신뢰도와 가치가 달라질 수 있기 때문입니다.
다만 초기 제품 하자(동일 모델 대비 명백한 불량, 운송 중 파손, 사양 상이 등)가 확인되는 경우에는 수령 후 [7일 이내] 연락 주시면 점검 후 조치 또는 A/S 절차를 안내해 드립니다.
단순 변심, 사양 선택 착오, 내부 사정(예: 예산/프로젝트 변경 등)과 같은 구매자 사유로 반품을 요청하시는 경우에는 반품이 제한되며, 예외적으로 협의가 진행될 경우에도 왕복 운송비, 검수 비용, 감가 비용 및 재입고 수수료 등이 청구될 수 있습니다.
구체적인 거래 조건(납기, A/S 범위, 교환 가능 여부 등)은 발행된 견적서, 발주서 확인 메일, 납품서 등에 명시된 내용을 우선합니다.
도움이 필요한 경우 견적서에 명시된 담당자에게 문의해 주세요.
연관상품



